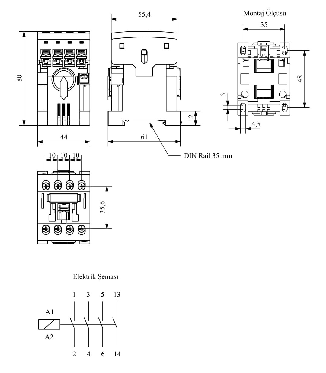
HN Serisi 13A 220-230V/50-60HZ 1NO Kontaktör

Ürün Kodu
HN1310NUE
Standart
TS EN 60947-4-1
Belge
CE SEPRO
    Çalışma Frekansı
    50 - 60Hz
    Ürün
    Kontaktör
    Kontak Akımı (Ie)
    13A
    Kullanım Kategorisi
    AC 3
    Mekanik Ömür (Min Adet)
    10000000
    Elektriksel Ömür (Min Adet)
    1000000
    Çalışma Sıklığı (Açma Kapama/Saat)
    Mek. 1800 Elk. 600
    Yalıtım Gerilimi (Ui)
    690V AC
    Darbe Dayanım Gerilimi (Uimp)
    6 kV
    Dielektrik Mukavemeti (Gövde-Kontak)
    1890V AC
    Dielektrik Mukavemeti (Kontak-Kontak)
    1890V AC
    İzolasyon Direnci
    10 MΩ (500 V DC)
    Çalışma Sıcaklığı
    -15 / +80 °C
    Kirlenme Derecesi
    3
    Koruma Sınıfı
    IP20
    Kablo Bağlantı Kesiti
    1,5 mm²
    Sıkma Kuvveti
    1,8 Nm
    Kısa devre kesme kapasitesi (Ics)
    50 kA
    Seri
    HN Serisi
    Bobin Gerilimi
    220-230V/50-60HZ
    Yardımcı Kontak
    1NO