Plastik Cisimden Yansımalı Röle Çıkışlı 1m LED'li 2m Kablolu 50 mm Kare Fotoelektrik Sensör

Ürün Kodu
SPQ50DP2CC2
Belge
CE EAC SEPRO UKCA
  • Hızlı anahtarlama kapasitesi
  • Sürtünmeye ve yıpranmaya karşı dayanıklı
  • Kısa devre ve aşırı yük koruması
  • Ters polarite koruması
Plastik Cisimden Yansımalı Röle Çıkışlı 1m LED'li 2m Kablolu 50 mm Kare Fotoelektrik Sensör
Ürün
Kare Fotoelektrik Sensör
Seri
SPQ Serisi Kare Fotoelektrik Sensör
Gövde Malzemesi
Plastik
Tip
Cisimden Yansımalı
Çıkış / Kontak Tipi
Röle Çıkışlı
Algılama Mesafesi
1m
Özellik
LED'li
Bağlantı Tipi
2m Kablolu
Bağlantı /Anma Ölçüsü
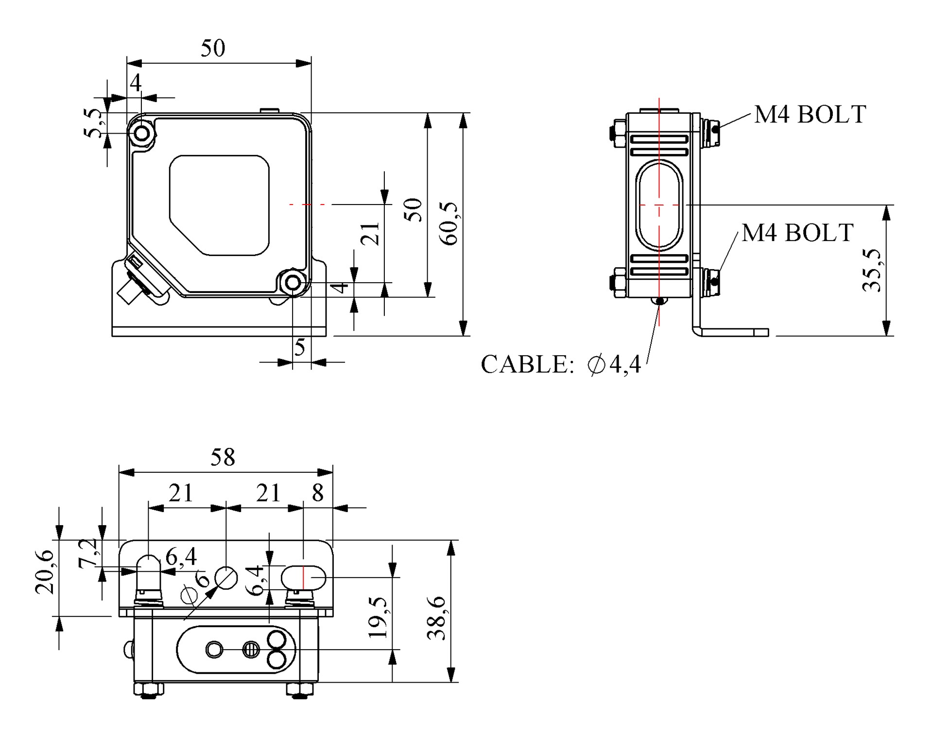
50 mm
Çalışma Gerilimi
24-240 V AC/DC
Çalışma Frekansı
50/60 Hz
Kontak Akımı (Ie)
250VAC 3A (rezistif)
Yalıtım Gerilimi (Ui)
1500 VAC
Darbe Dayanım Gerilimi (Uimp)
75V DC
Çalışma Sıcaklığı
-20°C...+65°C
Kirlenme Derecesi
3
Koruma Sınıfı
IP50
Histerisis
<%15 Sr (etkin çalışma mesafesi)
Kontak Sayısı
1
Tekrarlama Doğruluğu
<0,1 Sr
Anahtarlama Frekansı
100 ms (Tepki Süresi)
Sıcaklık ile Kayma
<0,1 Sr
İlk Açılış Öncesi Gecikme
≤100 ms
Dalgalanma (Gerilim)
< %10
EMC
61000-4-3 3V/m -- 61000-4-6 3
Algılama Yüzü
PC
Kablo Sayısı ve Kesit Alanı
5 x 0,25  mm2
İmal Tarihi
1.03.2023 00:00:00