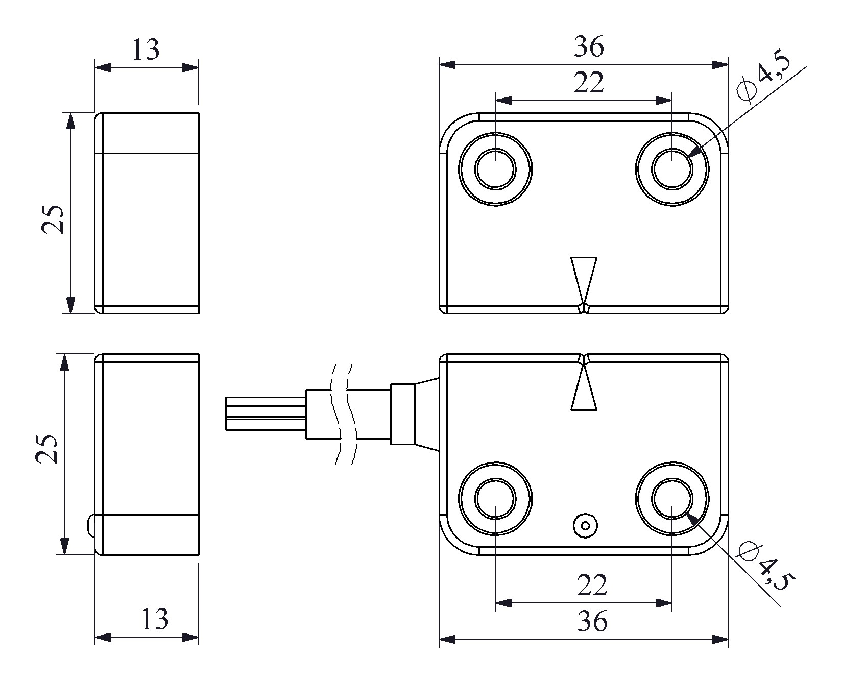
Plastik Sol Çıkış 2NC+1NO 5mm LED'li 2m Kablolu 22 mm Manyetik Kapı Switch

Ürün Kodu
SMS31LC2-S15
Belge
CE EAC SEPRO UKCA
  • Temassız tetikleme
  • Kodlu tetikleyici
  • Kablolu ve konnektörlü modeller
  • Kirlenme ve toza dayanıklı
  • Sağ ve sol çıkış için ayrı ürün seçenekleri
Plastik Sol Çıkış 2NC+1NO 5mm LED'li 2m Kablolu 22 mm Manyetik Kapı Switch
Ürün
Manyetik Kapı Switch
Seri
SM Serisi Manyetik Kapı Switch
Gövde Malzemesi
Plastik
Tip
Sol Çıkış
Çıkış / Kontak Tipi
2NC+1NO
Algılama Mesafesi
5mm
Özellik
LED'li
Bağlantı Tipi
2m Kablolu
Bağlantı /Anma Ölçüsü
22 mm
Çalışma Sıcaklığı
-25°C…+70°C
Koruma Sınıfı
IP68
Kablo Sayısı ve Kesit Alanı
6 x 0,25  mm2