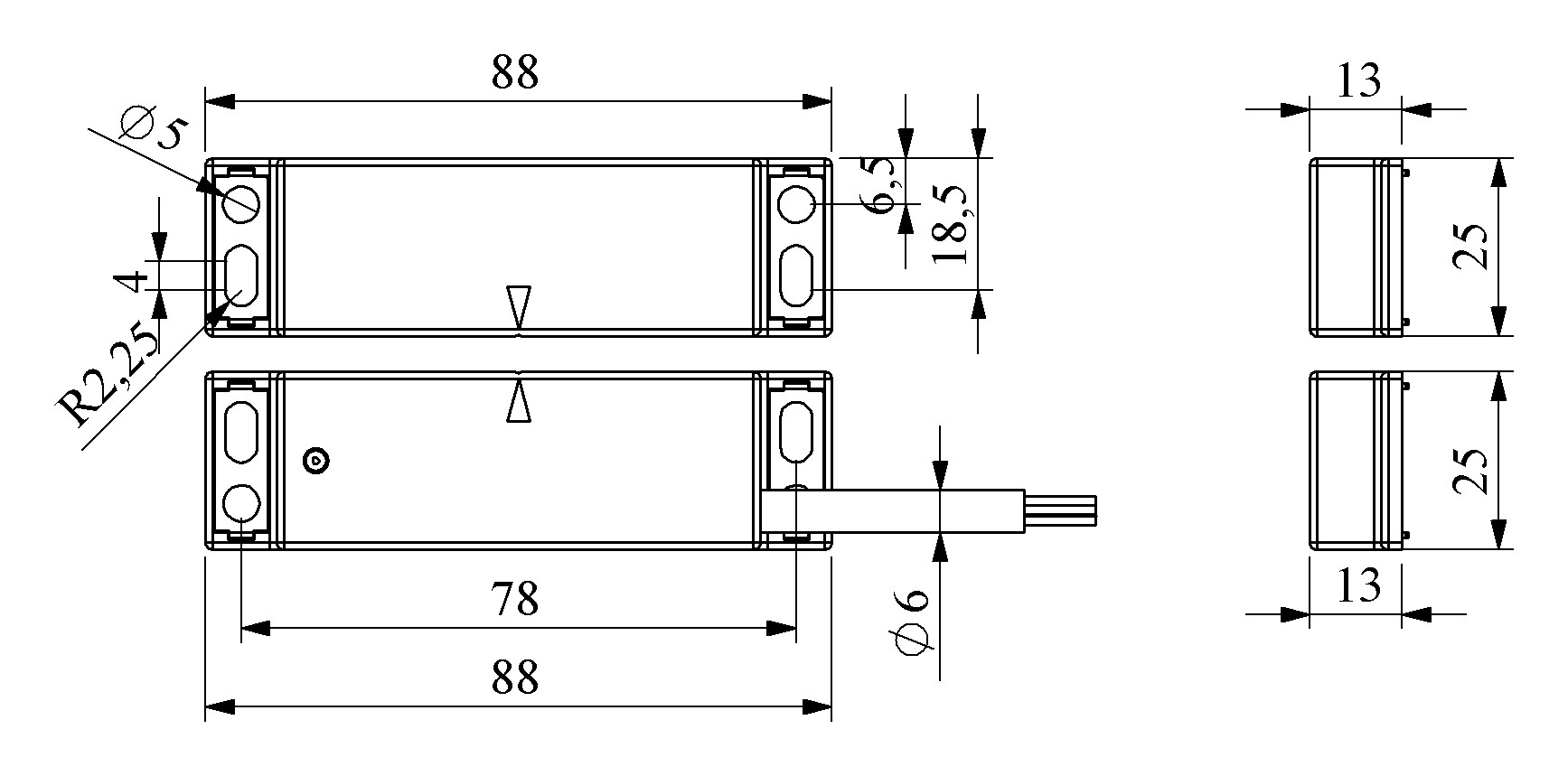
Plastik Sağ Çıkış 2NC+1NO 8mm LED'li 2m Kablolu 78 mm Manyetik Kapı Switch

Ürün Kodu
SMB31RC2-B18
Belge
CE EAC SEPRO UKCA
  • Temassız tetikleme
  • Kodlu tetikleyici
  • Kablolu ve konnektörlü modeller
  • Kirlenme ve toza dayanıklı
  • Sağ ve sol çıkış için ayrı ürün seçenekleri
Plastik Sağ Çıkış 2NC+1NO 8mm LED'li 2m Kablolu 78 mm Manyetik Kapı Switch
Ürün
Manyetik Kapı Switch
Seri
SM Serisi Manyetik Kapı Switch
Gövde Malzemesi
Plastik
Tip
Sağ Çıkış
Çıkış / Kontak Tipi
2NC+1NO
Algılama Mesafesi
8mm
Özellik
LED'li
Bağlantı Tipi
2m Kablolu
Bağlantı /Anma Ölçüsü
78 mm
Çalışma Sıcaklığı
-25°C…+70°C
Koruma Sınıfı
IP68
Kablo Sayısı ve Kesit Alanı
6 x 0,25  mm2