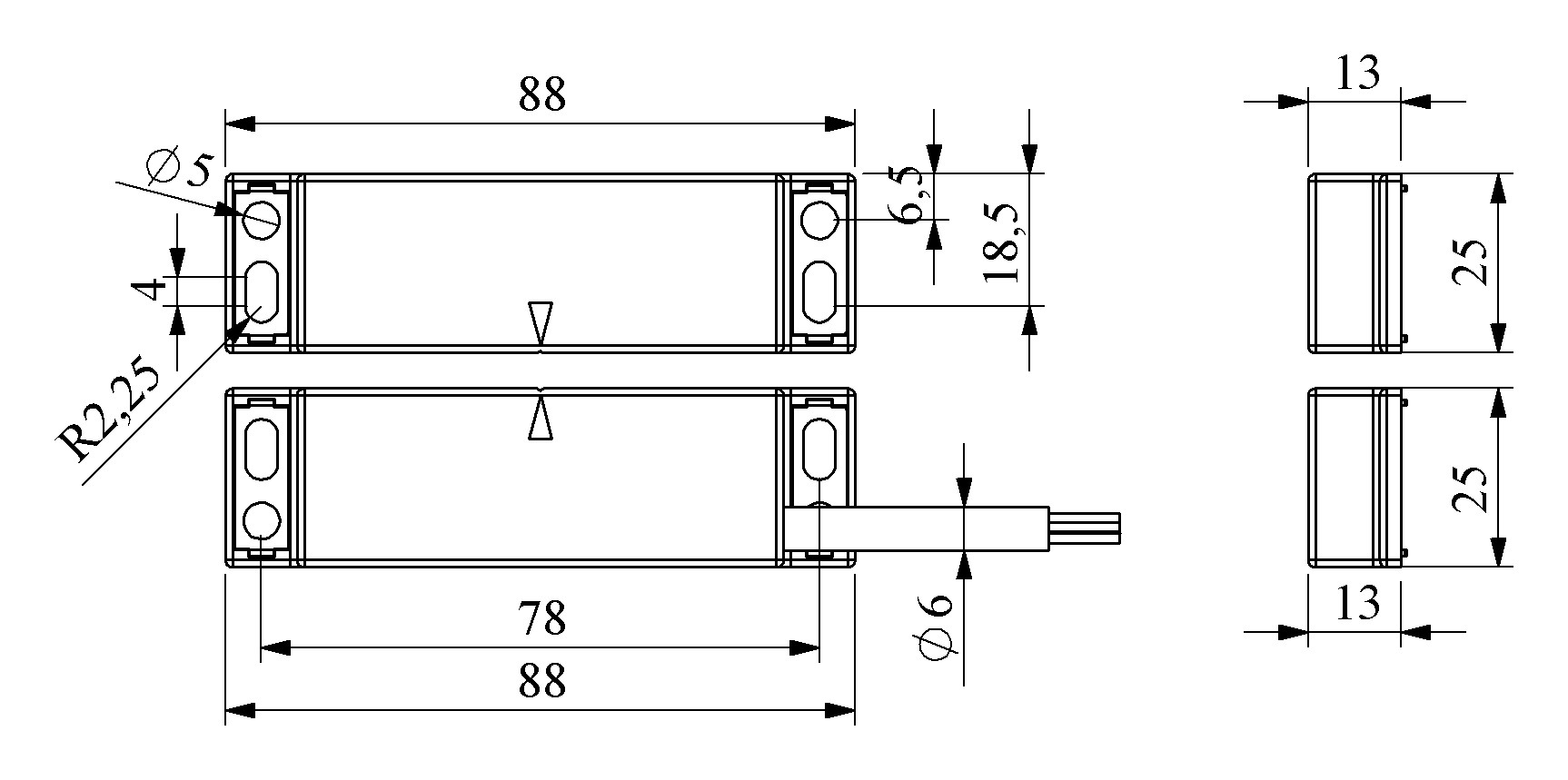
Plastik Sağ Çıkış 2NC 5mm 2m Kablolu 78 mm Manyetik Kapı Switch

Ürün Kodu
SMB20RC2-B15
Belge
CE EAC SEPRO UKCA
  • Temassız tetikleme
  • Kodlu tetikleyici
  • Kablolu ve konnektörlü modeller
  • Kirlenme ve toza dayanıklı
  • Sağ ve sol çıkış için ayrı ürün seçenekleri
Plastik Sağ Çıkış 2NC 5mm 2m Kablolu 78 mm Manyetik Kapı Switch
Ürün
Manyetik Kapı Switch
Seri
SM Serisi Manyetik Kapı Switch
Gövde Malzemesi
Plastik
Tip
Sağ Çıkış
Çıkış / Kontak Tipi
2NC
Algılama Mesafesi
5mm
Bağlantı Tipi
2m Kablolu
Bağlantı /Anma Ölçüsü
78 mm
Çalışma Sıcaklığı
-25°C…+70°C
Koruma Sınıfı
IP68
Kablo Sayısı ve Kesit Alanı
4 x 0,25  mm2