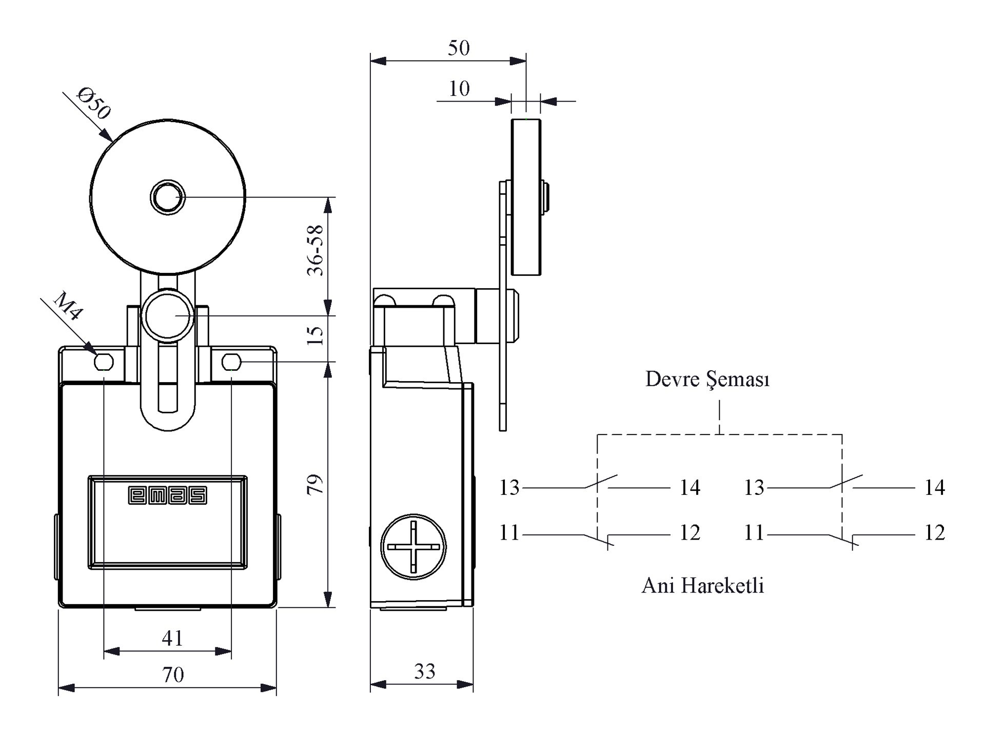
L54 Metal Gövde 50 mm Lastik Ayarlanabilir Kollu Makara Ani Hareketli 2* (1NC+1NO ) Sınır Şalter

Ürün Kodu
L54K16MEL122
Standart
TS EN 60947-5-1 UL 508 VDE 0660
Belge
CE EAC SEPRO TSE UKCA
Belge
(Kontak Blok)
TSE UL
  • Metal gövde ve kapak
  • 3 kablo girişi PG13,5 veya M20x1,5 opsiyonlu rakora uygun
  • Değiştirilebilen kontak blok
  • Farklı duyar blok seçenekleri
L54 Metal Gövde 50 mm Lastik Ayarlanabilir Kollu Makara Ani Hareketli 2* (1NC+1NO ) Sınır Şalter
L54 Metal Gövde 50 mm Lastik Ayarlanabilir Kollu Makara Ani Hareketli 2* (1NC+1NO ) Sınır Şalter
Ürün
Sınır Şalter
Seri
L54 Metal Gövde
Uç Elemanı Ölçüsü
50 mm
Uç Elemanı Malzemesi
Lastik
Duyar Blok
Ayarlanabilir Kollu Makara
Kontak Hareketi
Ani Hareketli
Kontak
2* (1NC+1NO )
Kontak Akımı (Ie)
3 A (240V AC)
Kullanım Kategorisi
AC15
Mekanik Ömür (Min Adet)
10000000
Elektriksel Ömür (Min Adet)
1000000
Çalışma Sıklığı (Açma Kapama/Saat)
Mek. 3000 Elk. 1800
Yalıtım Gerilimi (Ui)
300 V
Darbe Dayanım Gerilimi (Uimp)
2.5 kV
Dielektrik Mukavemeti (Gövde-Kontak)
1.890V AC
Dielektrik Mukavemeti (Kontak-Kontak)
1.890V AC
İzolasyon Direnci
10 MΩ (500 V DC)
Çalışma Sıcaklığı
-25 / + 80 °C
Kirlenme Derecesi
3
Koruma Sınıfı
IP65
Kontak Malzemesi
AgNi
Kablo Bağlantı Kesiti
1-2.5 mm2
Sıkma Kuvveti
1.5Nm
Kısa devre kesme kapasitesi (Ics)
1 kA