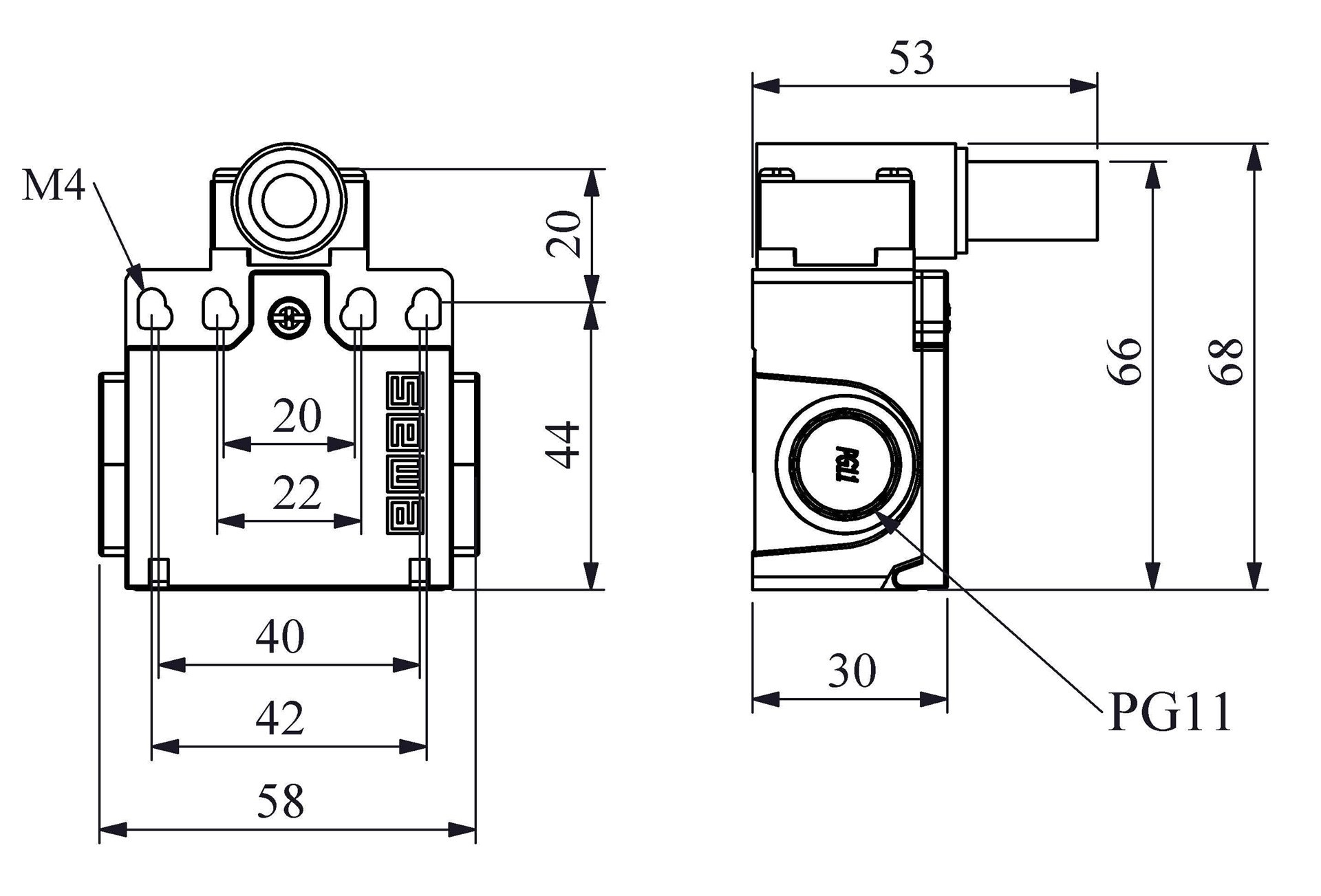
L22 Plastik Gövde 18 mm Metal Menteşe Emniyet Sivici Yavaş Hareketli 1NO+1NC Sınır Şalter

Ürün Kodu
L22M23BEM621
Standart
TS EN 60947-5-1 UL 508 VDE 0660
Belge
CE UKCA
  • Plastik gövde ve kapak
  • 2 kablo girişi PG11 veya M20x1,5 opsiyonlu rakora uygun
  • Değiştirilebilen kontak blok
  • Farklı duyar blok seçenekleri
L22 Plastik Gövde 18 mm Metal Menteşe Emniyet Sivici Yavaş Hareketli 1NO+1NC Sınır Şalter
L22 Plastik Gövde 18 mm Metal Menteşe Emniyet Sivici Yavaş Hareketli 1NO+1NC Sınır Şalter
Ürün
Sınır Şalter
Seri
L22 Plastik Gövde
Uç Elemanı Ölçüsü
18 mm
Uç Elemanı Malzemesi
Metal
Duyar Blok
Menteşe Emniyet Sivici
Kontak Hareketi
Yavaş Hareketli
Kontak
1NO+1NC
Kontak Akımı (Ie)
3 A (240V AC)
Kullanım Kategorisi
AC15
Mekanik Ömür (Min Adet)
10000000
Elektriksel Ömür (Min Adet)
1000000
Çalışma Sıklığı (Açma Kapama/Saat)
Mek. 3000 Elk. 1800
Yalıtım Gerilimi (Ui)
300V
Darbe Dayanım Gerilimi (Uimp)
2.5 kV
Dielektrik Mukavemeti (Gövde-Kontak)
2.500V AC
Dielektrik Mukavemeti (Kontak-Kontak)
1.500V AC
İzolasyon Direnci
10 MΩ (500 V DC)
Çalışma Sıcaklığı
-25 / + 80 °C
Kirlenme Derecesi
3
Koruma Sınıfı
IP65
Kontak Malzemesi
AgNi
Kablo Bağlantı Kesiti
1-2.5 mm2
Sıkma Kuvveti
1.5Nm
Kısa devre kesme kapasitesi (Ics)
1 kA
İmal Tarihi
30.05.2022 00:00:00