Ürün Detayı
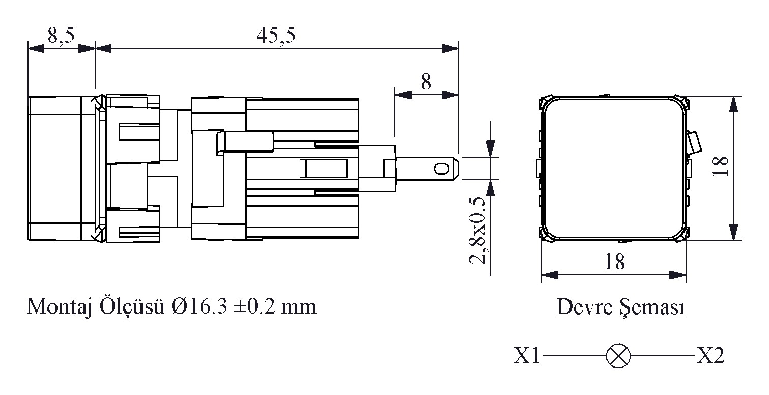
D Serisi Plastik LED'li 12-30V AC/DC Kare Beyaz 16 mm Sinyal



(Kontak Blok)

.jpg?format=webp)
EMAS için kalite; ürün kalitesi, firma kalitesi ve çalışan kalitesi olarak tanımlanır.
Özar Özel Endüstri Bölgesi Deliklikaya Mah. Yüzbaşı Mehmet Hilmi Cad. No: 12 P.K.34555 Arnavutköy / İstanbul / Türkiye
+90 212 549 2252
+90 212 549 2580