CSM Series 360° Eternal 200 mm Rod Cross Limit Switch

Product Code
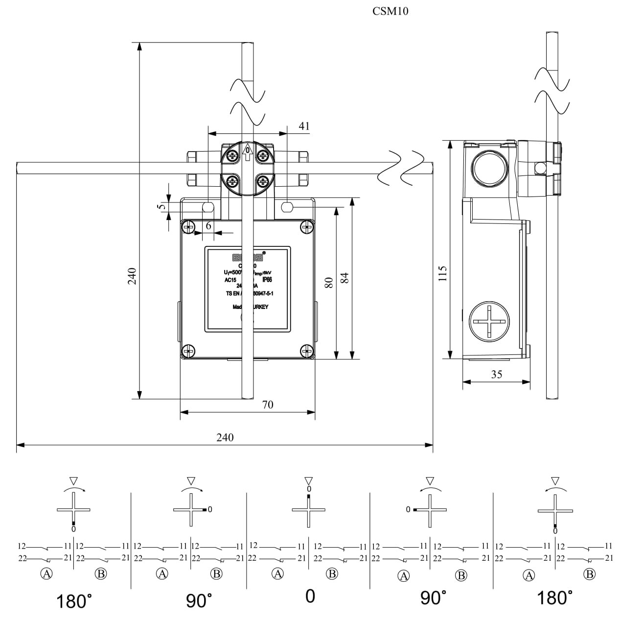
CSM10
Standard
TS EN 60947-5-1 UL 508 VDE 0660
Certificate
CE EAC SEPRO
Certificate
(Contact Block)
TSE
  • Metal housing and cover
  • PG13,5 connection
CSM Series 360°  Eternal 200 mm Rod Cross Limit Switch
CSM Series 360°  Eternal 200 mm Rod Cross Limit Switch
CSM Series 360°  Eternal 200 mm Rod Cross Limit Switch
Product
Cross Limit Switch
Type
360°
Feature
200 mm Rod
Current (Ie)
3 A (240V AC)
Usage Category
AC15
Mechanical Life (Min Qty)
1000000
Electrical Life (Min Qty)
100000
Operating Frequency (On-Off/Hour)
Mech. 120 Elec. 120
Insulation Voltage (Ui)
500 V
Impulse Withstand Voltage (Uimp)
6 kV
Dielectric Strength (Body-Contact)
1.890V AC
Dielectric Strength (Contact-Contact)
1.890V AC
Isolation Resistance
10 MΩ (500 V DC)
Operating Temperature
-25 / + 80 °C
Pollution Degree
3
Protection Degree
IP65
Contact Material
AgNi
Cable Section
1.5-2.5 mm2
Screw Torque
1.5Nm
Short Circuit Breaking Capacity (Ics)
1kA
Serial
CSM Series
Speed
Eternal